歡迎來到硬齒麵香蕉视频APP在线观看廠家山東香蕉成人臿臿在线观看傳動設備股份有限公司網站!


手機瀏覽
更方便
AK係列齒輪減速電動機是參照JB/T6447-92標準設計、製造,井符合1EC標準的新產品。它由拖動電動機與齒輪減速裝置藕合而成,具有結構緊湊、體積小、重量輕、噪聲低、振動小、效率高等特點,是理想的低速動力源。廣泛應用於冶金、礦山、輕工、化工、鋼鐵、水泥、紡織、印染、製糖、食品。橡膠、醫藥。包裝、建築、起重運輸、農機等行業,並可供引進設備的配套與維修。
根據用戶需要,尚可配套多速、效率高、直流等各類電動機,並可根據用戶要求。裝置直流電磁製動器或單向停止器以及各種編碼器等。
防護等級因所配電動機而異,可為|p44或|P54等,冷卻方法為1C0141。
本係列減速電動機齒輪的參數經優化設計.采用高質量合金鋼經鍛造、製齒井賦予嚴格的熱處理;齒輪經瑞士REISHAUER公司的蝸杆砂輪磨齒機磨削加工,精度達GB/T10095.1 ~2-2001的5級。機座用高強度鑄鐵製成,有底腳、法蘭兩種結構。
減速裝置的效率不低於92%。
底腳安裝齒輪香蕉视频APP在线观看有兩個機加工的底腳安裝,法蘭安裝有F和GZ兩種法蘭可供選擇,GZ法蘭隻有空心軸方式,本係列香蕉视频APP在线观看有多種安裝方式和方位。
使用條件
環境溫度:在-15C°-+40C。條件下額定運行;
海拔:不超過1000m;
顓定電壓: 380V;
額定頻率: 50Hz:
接法: 3kW及以下為Y.4KW及以上為△接法:
工作方式:連續(S1 )。
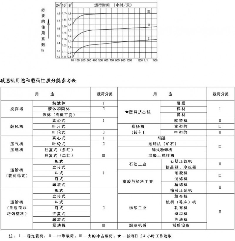
選型指南
AK使用係數fB
在確定使用係數之前先確定一天的運行小時數,每小時的起停次數和負載類型。其中負載類型按下列公式計算